Our products: vertical turbine pump, vertical wet pit pump, vertical oil sump pump, vertical condensation pump, right Angle gearbox
发布时间:2021/1/15 11:21:39
浏览次数:
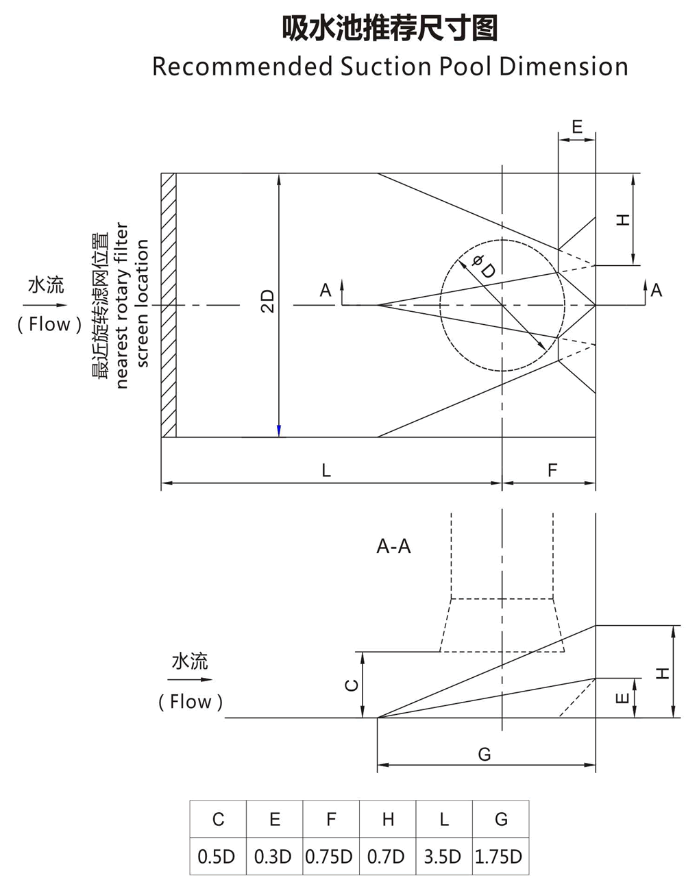
Recommended dimensions of HL vertical long-axis oblique-flow pump suction tank: HLB, HLBK, HLKT, HLBS, HLKS and other long-axis pumps, vertical long-axis pump, long-axis oblique-flow pump, vertical oblique-flow pump, long-axis pump suction tank, vertical long-axis pump suction tank recommended size, for reference only, subject to the actual object!

Copyright © 2002-2022 Hunan machinery manufacturing co., LTD. All Rights Reserved.
+8618507312158
WeChat Qr Code